煙氣余熱回收供熱設備
分段式燃生物質斜爐排蒸汽(有機熱載體)鍋爐
設備特點:
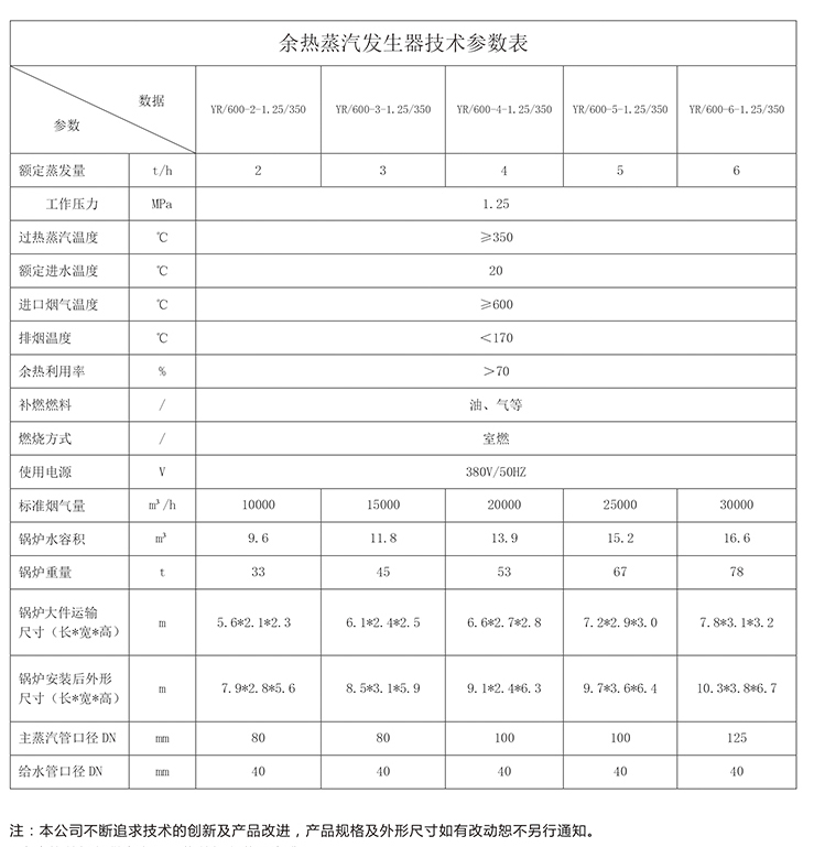
高溫煙氣通過進煙口進入余熱蒸汽過熱器,利用高溫煙氣余熱或燃燒器燃燒放出熱量對蒸汽管進行加熱,而后煙氣通過煙道進入余熱蒸汽發生器進一步換熱,經節能器由引風機排出煙道;此過程中,當進入余熱發生器的高溫煙氣熱量過低時,可通過開啟燃燒器,從而提高進口煙氣熱量,保證高溫煙氣的余熱得以充分利用,以實現高溫煙氣余熱的回收利用,達到節能降耗的目的,本裝置操作簡單、設計合理、節能環保。
電話:13950627670
地址:福建省泉州市豐澤區泉秀街道泉秀路200號世紀5幢606室
傳真:
投訴郵箱:1275619083@qq.com
客服專線:
添加客服微信